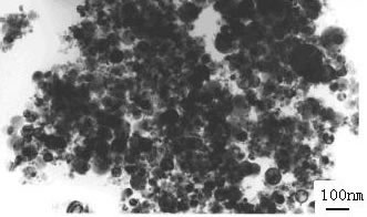
الشكل
مظهر مساحيق النيكل النانوية ذات أحجام الجسيمات المختلفة يتدرج من اللون الأسود- الرمادي إلى الأسود ولا يوجد هناك ألوان مختلطة. هذه الجسيمات كروية ولا يوجد تكتل واضح..
نتيجة إختبار TEM
توزيع حجم الجسيمات
التطبيقات
1. تحسين كفاءة الإحتراق
إضافة مسحوق النيكل النانوي إلى وقود الإندفاع الذاتي الصلب للصواريخ يساعد على زيادة حرارة وكفاءة إحتراق الوقود وتحسين إستقرار الإحتراق.
2. عجينة التوصيل
عجينة التوصيل تستخدم على نطاق واسع في الربط والتوصيل والتغليف في صناعات الإلكترونيات الدقيقة. حيث تلعب دوراً هاماً في تصغير الأجهزة الإلكترونية الدقيقة. العجينة الكهربائية المصنوعة من النيكل النانوي تتميز بأداء عالي وتعتبر مفيدة جداً في عمليات تصغير الخطوط.
3. السائل المغناطيسي
السوائل المغناطيسية المصنوعة من الحديد، الكوبالت، النيكل، و الجسيمات السبيكة تتميز بالأداء العالي وتستخدم على نطاق واسع في منع التسرب، إمتصاص الإهتزاز، تنظيم الصوت، عرض الضوء وغيرها.
4. المحفز الفعال
نتيجة للمساحة المحددة الكبيرة و النشاط العالي، مسحوق النيكل النانوي يتميز بخصائص تحفيز عالية. حيث يمكن إستخدامة في عمليات هدرجة المواد العضوية، معالجة عوادم السيارات وغيرها.
5. القطب الكهربائي عالي الأداء
يمكن صناعة أقطاب كهربائية بمنطقة سطحية عالية من النيكل النانوي عن طريق عمليات معالجة معينة، والتي تعمل على تحسين خواص التفريغ الكهربائي بشكل كبير.
6. مواد تفعيل التلبيد المضافة
المسحوق النانوي يتميز بمنطقة سطحية كبيرة و معدل لسطحية الذرة. وهو ايضاً يتميز بقدرة تلبد قوية في درجة الحرارة المنخفضة ولذلك يعتبر فعال للغاية كمادة لتفعيل التلبيد والتي تعمل على خفض درجة حرارة التلبد لمساحيق منتجات المعادن و منتجات السيراميك ذات درجة الحرارة العالية.
7. معالجة طلاء التوصيل لسطوح المواد المعدنية وغير المعدنية
بسبب النشاط السطحي العالي للنيكل النانوي، لذلك يستخدم في حالات الطلاء تحت الظروف اللاهوائية وفي درجة حرارة أقل من نقطة إنصهارة. هذه التكنولوجيا تستخدم في عمليات إنتاج الإلكترونيات الدقيقة.
| الدرجة | التركيب الكيميائي /% | ||
| O | الشوائب | Ni | |
| FNiN-20 | < 0.1 | < 0.3 | حافة |
| FNiN-50 | < 0.01 | < 0.3 | حافة |
| FNiN-80 | < 0.01 | < 0.3 | حافة |
| ملاحظة: الشوائب تشمل B، Al، Si، Cr، Mn، Fe، Co، Cu، Mo، W، P، C، S، وغيرها من العناصر. يمكننا تقديم كل التراكيب الكيميائية المحددة للشوائب إذا رغب الزبون في المعرفة. | |||
| الدرجة | متوسط القطر/نانومتر | المساحة المحددة / (m2/g) | الكثافة الظاهرية/ (g/cm3) |
| FNiN-20 | < 30 | > 25 | 0.04~5 |
| FNiN-50 | ≥30~60 | > 15 | 0.05~0.7 |
| FNiN-80 | ≥60~100 | > 8 | 0.06~0.8 |
بإعتبارنا شركة صينية متخصصة في صناعة وتوريد مسحوق النيكل النانوي، شركتنا تقدم مجموعة واسعة من المنتجات والتي تشمل مسحوق القصدير النانوي، الطاحونة النفاثة ذات الطبقة المميّعة، نظام الطحن والخلط لمصنع تراكيب الأسمدة المعلقة، مفاعل الستانلس ستيل، وغيرها من المنتجات.