نظام الطاحونة النفاثة بغاز الحماية الخامل

نظام الطاحونة النفاثة بغاز الحماية الخامل مناسب لطحن المواد القابلة للإشتعال، المتفجرة، و المواد التي تتأكسد بسرعة. يستخدم هذا المنتج بشكل كبير في مجال الصناعات المعدنية، الكيميائية، الكيماويات الزراعية، الأدوية الغربية، وصناعات الأدوية الصينية التقليدية. بناءً على طبيعة المواد المتفجرة والمواد سريعة الإشتعال، يجب إستخدام الغاز الخامل المناسب كوسط للطحن. .

المواصفات
الموديل QBF-148 QBF-248 QBF-348 QBF-488 QBF-720
الطاقة الإنتاجية(kg/h) 5-25 15-80 30-180 60-400 120-800
إستهلاك الهواء(m3/min) 3-5 3-15 5-20 8-30 12-40
ضغط التشغيل (MPa) 0.75-0.85 0.75-0.85 0.75-0.85 0.75-0.85 0.75-0.85
حجم جسيمات التغذية (mesh) 60-325 60-325 60-325 60-325 60-325
حجم الطحن(μm) 0.5-30 0.5-30 0.5-30 0.5-30 0.5-30
القدرة المقررة(kw) 33 53 88 173 346

يمكن التحكم بنسبة خطأ الغاز الخامل في حدود 1PPM ويمكن ضبط محتوى الأكسجين بشكل عشوائي. يتم إستخدام الغاز الخامل بشكل دوري، لذلك إستهلاكة منخفض للغاية. الإحتكاك في نظام الطاحونة النفاثة منخفض، وذلك نتيجة لتنفيذ عملية الطحن بواسطة إصطدام جسيمات المواد مع بعضها و الجسيمات عالية السرعة التي نادراً ما تصطدم بجدار الآلة. لذلك يمكن إستخدام هذا المنتج في عملية طحن المواد التي تمتلك معدل صلابة أعلى من 9 على مقياس Mohs للصلابة. بالإضافة إلى ذلك، هذا المنتج يحقق التحكم الأوتوماتيكي الكامل عن طريق إستخدام نظام الـ PLC المتطور وشاشة تعمل باللمس.

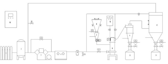
مخطط نظام الطاحونة النفاثة بغاز الحماية الخامل

1. مصدر غاز النيتروجين
2. خزان الهواء
3. ضاغط غاز النيتروجين
4. مجفف التجميد الهوائي
5. المرشح الهوائي
6. خزان تخزين المواد
7. خزان المواد المرحلي
8. الطاحونة النفاثة ذات الطبقة المميّعة QBF

9. الفارزة المخروطية
10. ،13. خزان التخزين المرحلي للمواد الجاهزة
12. جامع الغبار
11، 14. خزان المنتجات الجاهزة
15. نظام التحكم في خط الغاز
16. محطة التشغيل

بإعتبارنا شركة تقع في الصين متخصصة في صناعة وتوريد نظام الطاحونة النفاثة بغاز الحماية الخامل، شركتنا تقدم ايضاً الطاحونة النفاثة ذات الطبقة المميّعة، نظام الطحن والخلط لمصنع تراكيب الأسمدة المعلقة، موانع التسرب الميكانيكية لوسط البولي بروبيلين، مسحوق الحديد النانوي، وغيرها من

الاستفسار

Miyou Group Co., Ltd
العنوان.: No.1 Middle Yucheng Road, Kunshan City, Jiangsu Province, China
لرمز البريدي: 215316
رقم الهاتف: +86-512-5778-2891
+86-512-5779-5588
فاكس: +86-512-5779-1241
البريد الإلكتروني: sales@miyou.com.cn