نظام الخلط والطحن النفاث للكيماويات الزراعية

نظام الخلط والطحن النفاث للكيماويات الزراعية يدمج بشكل متكامل تكنولوجيا الطاحونة النفاثة، تكنولوجيا الخلط بالإضافة إلى تكنولوجيا التحكم الذكي. هذا المنتج يستطيع تلبية متطلبات الطحن والخلط لأنواع متنوعة من المبيدات الحشرية. ونتيجة للتصميم الخاص، لا يحدث هناك أي تطاير للغبار أثناء عملية التشغيل، وهو بذلك يحقق متطلبات حماية البيئة.

المواصفات
الموديل QF-148 QF-248 QF-348 QF-488 QF-588
الطاقة الإنتاجية(kg/h) 5-100 50-200 80-380 200-500 400-1000
إستهلاك الهواء(m3/min) 3 6 10 20 40
ضغط التشغيل (MPa) 0.75-0.85 0.75-0.85 0.75-0.85 0.75-0.85 0.75-0.85
حجم جسيمات التغذية (mesh) 60-325 60-325 60-325 60-325 60-325
حجم الطحن(μm) 0.5-30 0.5-30 0.5-30 0.5-30 0.5-30

يتم التحكم بكامل النظام عن بعد بواسطة شاشة تعمل باللمس. حيث يتم نقل المواد عن طريق تدفق الهواء ذو الضغط السلبي وجهاز السحب المركب على منفذ التغذية يضمن عدم تطاير الغبار. الخلاطات مزدوجة اللولب تضمن عملية الخلط الكافية والمتعادلة. عملية الطحن تستخدم الطاحونة النفاثة ذات الطبقة المميّعة والتي تتميز بكفاءة تشغيلية عالية وتوزيع متعادل لحجم الجسيمات. بالإضافة إلى ذلك، يمكن توصيل منفذ التفريغ بآلة تعبئة أوتوماتيكية

مخطط نظام الخلط والطحن النفاث للكيماويات الزراعية
1. موديل متواصل، يستخدم في الإنتاج الضخم

1. مروحة السحب
2. الفارزة المخروطية
3. جامع الغبار
4. جهاز الخلط
5. الفلتر
6. الطاحونة النفاثة
7. منطقة التوزيع
8. جهاز التغذية
9. معدات التعبئة

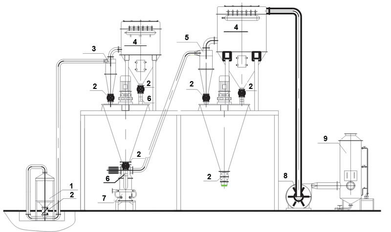
2. موديل متواصل، يستخدم في الإنتاج الضخم

1. صمام المنفذ
2. الفارزة المخروطية
3. جهاز الخلط
4. وصلات مرنة
5. جامع الغبار
6. فارزة مخروطية
7. جهاز إزالة الغشاء المائي
8. مروحة السحب

3. موديل مبسط، يستخدم في الإنتاج البسيط

1. جهاز التغذية
2. صمام المنفذ
3. الفارزة المخروطية
4. جامع الغبار
5. الفارزة المخروطية
6. وصلات مرنة
7. طاحونة نفاثة
8. مروحة سحب
9. جهاز إزالة الغشاء المائي

Miyou Group عبارة عن شركة صينية متخصصة في صناعة وتوريد نظام الخلط والطحن النفاث للكيماويات الزراعية. كما تقدم شركتنا ايضاً طاحونة الرمل، مانع التسرب الخاص لطاحونة الرمل، المفاعلات، آلة الفرز، وغيرها من المنتجات.

الاستفسار

Miyou Group Co., Ltd
العنوان.: No.1 Middle Yucheng Road, Kunshan City, Jiangsu Province, China
لرمز البريدي: 215316
رقم الهاتف: +86-512-5778-2891
+86-512-5779-5588
فاكس: +86-512-5779-1241
البريد الإلكتروني: sales@miyou.com.cn