نظام الخلط والطحن النفاث للمستحضرات WP

إن نظام الخلط والطحن النفاث للمستحضرات WP، أو خط خلط وطحن المستحضرات، عبارة عن نظام مثالي لمعالجة المواد الكيماوية المستخدمة في المجال الفلاحي، يقوم بصفة خاصة على تكنولوجيا طورناها بأنفسنا في مجال الطحن النفاث، والخلط والتحكم الذكي. إنه يمكنها أن تستجيب للمتطلبات الخاصة لطحن وخلط مختلف الأسمدة والمبيدات. فنظام الخلط والطحن النفاث هذا يأتي مختوما بشكل جيد بحيث لا يسمح بتطاير أي مخلفات أثناء عملية التشغيل، مما يستجيب لمتطلبات حماية البيئة.

المواصفات
النموذج QYF-150 QYF-260 QYF-400 QYF-600 QYF- 720
القدرة الإنتاجية (كلغ ساعة) 5-100 50-200 80-380 200-500 400-1000
استهلاك الهواء (مترمكعب دقيقة) 3 6 10 20 40
ضغط التشغيل (MPa) 0.75-0.85 0.75-0.85 0.75-0.85 0.75-0.85 0.75-0.85
قطر التغذية (مِش mesh) 60-325 60-325 60-325 60-325 60-325
حجم الطحن (μm) 0.5-30 0.5-30 0.5-30 0.5-30 0.5-30

يتم التحكم في نظام الخلط والطحن النفاث للمستحضرات WP، أو خط خلط وطحن المستحضرات، عن بعد بواسطة شاشة لمسية. ويتم نقل المواد بواسطة تدفق الهواء بالضغط السلبي، مع تزويدها بأداة لضبط هذا التدفق الهوائي من أجل ضمان عدم تطاير الغبار. وتضمن الخلاطات الحلزونية لديها خلطا متساويا وبكامل الفعالية. وتستخدم عملية الطحن، مبدأ الطحن بالطبقة المميعة بفعالية عالية وتوزيع للجسيمات بشكل موحد. بالإضافة إلى ذلك، يمكن وصل مخرج التفريغ مباشرة مع آلة تعبئة أوتوماتية.

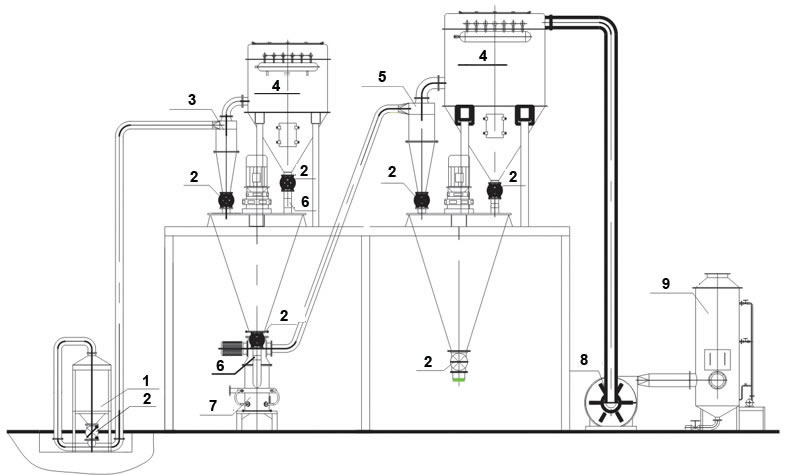
رسم تخطيطي يبين انسيابية العمل في نظام الخلط والطحن النفاث لمستحضرات
أ. النموذج المستمر المستخدم في الإنتاج بكميات كبيرة

1. مروحة تعديل تدفق الهواء
2. أداة فصل حلزونية
3. جامع الغبار
4. الخلاط
5. الفلتر
6. مطحنة نفاثة
7. منطقة الخلط
8. جهاز التغذية
9. معدات التعبئة.

ب. النموذج المستمر المستخدم في الإنتاج بكميات كبيرة

1. صمام المخرج
2. أداة فصل حلزونية
3. الخلاط
4. وصلة مرنة
5.جامع الغبار
6. أداة فصل حلزونية
7. مُنظف بغشاء مائي.
8. مروحة تعديل تدفق الهواء

ت. نموذج مبسط، مستخدم في الإنتاج بكميات صغيرة

1. جهاز التغذية
2. صمام المخرج
3. أداة فصل حلزونية
4. جامع الغبار
5. أداة فصل حلزونية
6. وصلة مرنة
7. مطحنة نفاثة
8. مروحة تعديل تدفق الهواء
9. مُنظف بغشاء مائي.

يمكنكم الاتصال بنا في أي وقت، سواء من أجل الاستزادة في المعلومات حول منتجاتنا، أو من أجل معرفة التفاصيل المتعلقة بكيفيات الحصول عليها. ففريق الخدمات لدينا كله تطلع للتواصل معكم وتزويدكم بكل ما تحتاجونه وفي أقصى سرعة ممكنة.

الاستفسار